В днешно време енергийната ефективност става все по-важна заради нарастващата употреба на електрическа енергия в почти всеки аспект на нашия всекидневен живот. Не можем дори да си представим какъв би той без електричество. Тъй като всички зависим от наличието на електричество и неговата употреба постоянно расте, трябва да търсим начини за по-ефективното му използване. Една от причините е че електричеството се произвежда използвайки неекологични технологии (например горене на въглища), така че повече употреба означава по-голямо замърсяване. Така наречените „зелени” технологии стават предпочитани и дори модерни. „Зелени” означава: високоефективен, с ниска консумация, липса на замърсяване, избягване употребата на токсични материали в производствения процес, рециклиране.
Проблемът с осветлението

Осветлението е един от най-големите консуматори на електроенергия в световен мащаб. То представлява 22% от косумацията на електричество в Америка. Освен това САЩ използва 25% от цялото произведено електричество на планетата. При сегашните политики глобалното енергопотребление се прогнозира, че ще нарастне почти двойно до 4500TWh в следващите 20 години. Едно от последните проучвания за ЕС показва 743,39TWh енергопотребление само в гражданския сектор, 12,8% от което за осветление. Повишаването на ефективността на светлинните източници ще намали значително количеството енергия, използвана от тях и количеството парникови газове, произведени от електроцентралите. Броят на компаниите разработващи „зелени” електронни устройства расте. Един от най-амбициозните опити за намаляване консумацията на енергия от източниците на светлина е спирането от употреба на крушките с нажежаема жичка. Много страни по света взимат мерки за насърчаване употребата на по ефективни алтернативи като CFL (компактни флуоресцентни лампи) и LED лампи. Първата страна, която спря продажбата и вноса на крушки с жичка през 2005-та, заменяйки ги с CFL е Куба. ЕС започна да ги изважда от употреба и планира този процес да приключи през 2012-та. Някои страни налагат минимална ефективност за крушките (lm/W). САЩ също наложиха ограничения за ефективността на светлинните източници, като границата ще се вдига в следващите 5 години, така че повече нискоефективни крушки ще бъдат спрени от продажба.
Замяна на крушките с жичка с алтернативни светлинни източници


Изхлърлянето от употреба на крушките с жичка означава, че те трябва да бъдат заменени с алтернативен източник на светлина. В момента не съществуват много алтернативи. Изборът е между стандартните луминесцентни лампи, CFL и LED лампи. Разликите между първите две не са съществени. Стандартните луминесцентни лампи са големи и неудобни за монтаж. Все още повечето от тях използват стартер, но се намират и такива с електронен стартер на пазара. CFL лампите ползват електронна схема вместо стартер. И двата типа имат висока ефективност (~22%), която е 2÷3 пъти по-висока в сравнение с крушките с жичка (10%). CFL се предлагат с различна форма, размери и цокли за монтаж. Те могат да се използват за директна замяна на крушките с жичка. Големият проблем при всички флуоресцентни лампи е че те не са подходящи за приложения, изискващи често включване и изключване. Това води до бързо стареене, което може да бъде по-бързо дори от това на крушките с жика. Средният живот при нормален цикъл на работа за флуоресцентните лампи е от 6000 до 15000 часа, което е от 10 до 20 пъти повече в сравнение с крушките с жичка, които имат живот едва 750÷1000 часа. Друг недостатък е излъчването на UV лъчи, които са вредни за човешкото око. Светлината създадена в лампата е изцяло в UV спектъра (главно с дължини на вълната 253,7nm и 185nm). Флуоресцентният фосфор преобразува тази светлина във видима. Излъчването на UV лъчи незначително, когато лампата е нова, но се увеличава с времето, защото фосфорното покритие старее. В днешно време флуоресцентните лампи съдържат точно толкова живак, колкото е нужен за цикъла на живот на една лампа, така че тя не може да излъчва опасни количества UV лъчи. Още един недостатък е по-трудното регулиране на силата на светене на луминесцентните лампи. Трудно се намират подходящи димери, а освен това те са и по-скъпи. Има дори още недостатъци идващи с тези лампи като нисък фактор на мощността, ограничена работна температура (стайната е най-подходяща), шум от дросела при минимална повреда, примигване на светлината с честотата на захранващото напрежение, което не е видимо, но може да предизвика главоболие и накрай проблема с околната среда при изхлърлянето на фосфора и токсичния живак от луминесцентните лампи.
Както се вижда луминесцентните лампи и дори CFL лампите далеч не са идеални и в някои случаи са дори по-лош избор от крушките с жичка въпреки високата си ефективност. Полупроводниковите източници на светлина (SSL – Solid-State Lighting) скоро може да станат решение на споменатите проблеми, защото цените на мощните светодиоди (Power LED) падат и тяхната ефективност расте.
„Светодиодната Ера” в осветлението

Полупроводниковото осветление е може би най-същественото откритие след изобретяването на електрическата светлина преди почти сто години. То предлага несравнима свобода като цветове, динамика, миниатюризация, архитектурна интеграция и енергоефективност. Всъщност това е първата стъпка напред в осветителните технологии след вакуумните решения. Руди Провост, изпълнителен директор на Philips Lighting, вярва че светодиодите ще оформят бъдещето на осветлението, добавяйки че сяманата от крушки с жичка и вакуумни лампи към LED продукти може да намали консумацията до 10%. „С допълнителни подобрения като сензори и управления общите спестявания могат да достигнат 30% на година”, казва той. Добавя също, че въпреки малкия пазар за LED осветление в момента, наброяващ $4млрд. годишно, се очаква той да нарастне до $30млрд. в следващите 15 години.
Всички тези прогнози изглеждат чудесн, но защо трябва да преминаваме към LED осветление и какво го прави толкова универсално и толкова желано? В края на 19-ти век Томас Едисон изобретява революционен източник на светлина – крушката с нажежаема жичка. По това време никой не знаел, че неговото откритие ще се превърне в най-широко използваният източник на светлина на Земята. Сега светодиодите започват своя дълъг път в историята на осветлението. В интерес на истината те проправят своя път през последните 35÷40 години. През последните няколко години се предлагат все повече мощни светодиоди с висока ефективност, така че най-накрая те могат да бъдат използвани за осветление, а не само за индикация в различни електронни устройства. Главната причина те да са предпочитан избор е тяхната ниска консумация. Също така те са смятани за изключително надеждни. Друга причина е тяхната способност да работят при силни вибрации и дори сблъсък.
Говорейки за ниска консумация трябва да се спомене, че някои от скорошните изисквания за ефективност на крушките с жичка са 17 lm/W, докато най-ефективните светодиоди са с ефективност от 100 lm/W. Това ги прави шест пъти по-ефективни. Някои от последните лабораторни изследвания показват ефективност от 150 lm/W.
Друга причина да се премине към LED осветление е възможността за ползване на RGB (пълноцветни) светодиоди и да се сменя техният цвят по начин и със скорост по желание на клиента. Това създава цяла нова пазарна ниша. Тъй като светодиодите са много малки, те могат да се монтират практически навсякъде. Осветителните тела могат да бъдат с всякакви форми и размери. Всички тези уникални черти правят светодиодите светлинния източник на бъдещето.
Чудесен пример за иновативно осветление е Light Blossom – футуристичен концептуален проект на Philips Electronics. Това „светещо цвете” е смел поглед в бъдещето, показващ безкрайните възможности пред светодиодите. През деня когато пече слънце, Light Blossom събира слънчева енергия, насочвайки се към Слънцето, за да „хване” колкото се може повече светлина. Когато облаци скрият Слънцето Light Blossom променя своята форма, опитвайки се да „хване” вятъра и акумулира още енергия. Високо-технологичното цвете съхранява енергия за собствена употреба, а освен това може да връща енергия и в електрическата мрежа. Когато падне нощта Light Blossom се затваря и се превръща в интелигентен източник на светлина, светещ само където и когато е необходимо използвайки сензори за близост. Това спестява енергия, намалява „светлинното замърсяване” и дава възможността на минувачите да видят отново звездите.
Power LED – какво го прави различен от останалите светодиоди?


Тъй като принципът на работа вътре в полупроводниковата структура е еднакъв за всички видове светодиоди, той няма да бъде описан тук. Основната разлика между маломощните и мощните (≥1W) светодиоди е в тяхната конструкция. Маломощните светодиоди работят при ток през прехода от порядъка на 20÷30 мА максимум, тоест отделяната топлинна енергия е малка и полупроводниковият кристал се охлажда само чрез металните изводи. Самият кристал също е по-малък, защото излъчва по-малко светлина и следователно топлина. Мощните светодиоди произвеждат много повече светлина и топлина и следователно полупроводниковият кристал е по-голям, за да може да се охлажда по-лесно. Въпреки това мощните светодиоди се нуждаят от допълнително охлаждане, за да функционират нормално. Това се постига чрез добавяне на термо-подложка в тялото на светодиода. Обикновено тези светодиоди се монтират на охлаждащи радиатори с подходящи разреи или на специални платки, така че температурата на техните преходи може да се поддържа достатъчно ниска, за функционират нормално.
Повечето мощни светодиоди се проектират в корпуси за повърхностен монтаж (SMT) или по технология чип-на-платка. Термичният поток през термо-подложката може да бъде в рамките на 5÷20W/см2. Тъй като всички светодиоди са полупроводници (AlInGap и InGaN), те имат физически свойства подобни на тези на останалите полупроводникови устройства като транзистори и интегрални схеми. Докато топлината при крушките с жичка се отделя под формата на инфрачервено излъчване, светодиодите разчита главно на проводников топлинен трансфер за ефективно охлаждане. В зависимост от връзката между топлоотдаването и излъчената светлинна енергия, методът на охлаждане може да бъде пасивен (радиатор при естествена конвекция), активен (радиатор с вентилатор) или водно охлаждане. Тъй като мощните светодиоди имат много малки размери, те се използват за разнообразни приложения, следователно охлаждането им трябва да се проектира според околната температура и специфичното приложение. Максималната допустима температура на прехода е ограничена до около 120÷150°С (до 185°С в някои нови разработки) сравнено с 1500÷3000°С при крушките с жичка. Охлаждането е може би най-големият проблем пред интеграцията на мощните светодиоди.
Съвременна Power LED технология


Най-ефективният мощен светодиод в момента е Luxeon Rebel от Philips Lumileds, отличен с награда за техническа иновация на изложението Lightfair 2009. Той има ефективност от 100 lm/W при 350 мА работен ток. Този светодиод използва същите полупроводникови материали като останалите бели светодиоди (InGaN). Той създаден от flip-chip LED (FC LED – обърнат чип), който има анод и катод от една и съща страна, свързан към подложка чрез златни проводници (фигура 4). Екзимерен лазер премахва сапфирения субстрат преди фото-електро-химичното ецване на горния GaN слой с UV лампа и dilute potassium hydroxide разтвор да награпави повърхостта на кристала. Получената текстура нарушава насочването на вълните в епитаксиалните слоеве с висока степен на рефракция, което увеличава излъченото количество светлина и значително повишава външната квантова ефективност на светодиода (количество отделена светлина при единица подадена енергия на входа). TFFC LED архитектурата (Thin-Film-Flip-Chip или тънкослоен обърнат чип) притежава отлични характеристики (фигура 3). Този е предложен преди повече от десет години и се използва отскоро от много производители. Сравнение между TFFC структурата и VTF структурата (vertically injected thin-film или вертикално инжектиран тънкослоен полупроводник – фигура 5) показва ясно, че мрежестият N-контакт намалява ефективната площ на чипа, а свързващият проводник допълнително пречи на разпространението на излъчената светлина.


Друг съществен проблем на VTF е че междинният субстрат увеличава температурното съпротивление на структурата. VTF-базираните светодиодни матрици (фигура 6) страдат от друг проблем, причинен от свързващите проводници. В матрицата има голям брой такива проводници, които блокират съществено количество от излъчената светлина и увеличават разстоянието между светодиода и оптичната система в прожекционни дисплеи и осветителни системи. Загубите на светлина се елиминират с TFFC структурата (фигура 7) и тя спомага за намаляване разстоянието между матрицата и оптичната система.
Лабораторни тестове сравняващи TFFC с FC и VTF сини светодиодни чипове, произведени от една и съща GaN-върху-сапфир епитаксиално изградена полупровдникова подложка показват, че TFFC структурата има най-голямо излъчване (фигура 8). При един ампер работен ток, излъчването от TFFC е с 46% повече от това на FC и 17% повече от това на VTF чиповете.
Като луминесцентните лампи, които излъчват UV светлина, преобразувана в бяла светлина от луминесцентният фосфор, белите светодиоди използват същия принцип. Някои от първите бели светодиоди използваха три полупроводникови кристала (по един за всеки основен цвят), за да създадат бяла светлина. Днешните бели светодиоди са всъщност сини, чийто полупроводников кристал е покрит с фосфорен слой. Този слой преобразува дължината на вълната, така че резултантният цвят е бял. В зависимост от плътността на този слой се постигат различни цветови температури. Качеството на цветовъзпроизвеждането е важно изискване за светодиоди, които ще се използват в стандартизирани осветителни приложения. Поради тази причина всички производители на мощни светодиоди оптимизират своите технологии не само за постигане на висока ефективност, но също и за висок CRI (Color Rendering Index или индекс на цветовъзпроизвеждането). Този индекс показва способността на светлинния източник да възпроизведе цветовете на разнообразни обекти правдоподобно в сравнение с идеален и природен източник на светлина. По-висок CRI означава по-добро цветовъзпроизвеждане. Източници с висок CRI се изискват в цветозависими приложения като фотография и кинематография.

Светодиодният чип описан по-горе е само част от крайния продукт. Фигура 9 показва структурата на бял светодиод Luxeon Rebel от Philips Lumileds. Чипът е монтиран върху метален контактен слой чрез свързващ слой. Контактният слой служи за свързване на изводите анод и катод от долната страна на корпуса към чипа. И двата извода са електрически изолирани от термо-подложката чрез керамичен субстрат. Термо-подложката трябва да бъде монтирана на специално проектирана печатна платка, за да може светодиодът да се охлажда ефикасно. Силиконова леща е прикрепена върху останалите компоненти.

Някои мощни светодиоди се произвеждат с различни типове лещи, така че те излъчват светлината с различно разпределение в пространството, както се изисква за някои специални приложения. Характеристиката на излъчване описва относителната сила (яркост) на светлината в различни посоки спрямо източника. Разнообразието от характеристики на излъчване дава на дизайнерите на осветителни системи повече гъвкавост в контрола на светлината в техните приложения. Примерни характеристики на излъчване са показани на фигура 10.
Анализ на работния живот на Power LED


Високата надеждност на светодиодите беше вече спомената. Дългият живот на светодиодите всъщност е една от основните предпоставки те да се превърнат в предпочитан източник на светлина в близкото бъдеще. Крушките с жичка не показват съществени промени в излъчваната светлина до момента, в който изгорят и станат неизползваеми. Светодиодните източници нямат склонността да свършват своя живот по този начин. Вместо това техният светлинен поток намалява плавно с времето. Работният живот на един мощен светодиод е много дълъг, като обикновено той е по-дълъг от този на продукта в който е вграден.
Източниците на светлина се оценяват според времето след което определен процент от тях се очаква да се повредят. Например стойност B10 означава времето след което 10% от източниците на светлина се очаква да се повредят. Често ползвана стойност е B50, показваща времето до отказ на 50% от източниците на светлина, наричана още среден живот. Измерва се също нов съществен признак, използван само за светодиоди източници на светлина. За светодиодите е рядко срещано да се повредят напълно, затова се измерва поддържаното им излъчване или „lumen maintenance”. Тъй като много приложения изискват определено количество светлина, проектантите трябва да знаят очаквания период на поддържано излъчване. Индустриалната група Alliance for Solid-State Illumination Systems and Technologies (ASSIST) откри, че 70% поддържано излъчване е близо до прага при който човешкото око засича намаленото излъчване на светлина. Проучванията на ASSIST показват, че 30% намаление на излъчваната светлина е приемливо за болшинството потребители за обикновени приложения. ASSIST предлага две оценки за поддържане на излъчването: L70 (времето до 70% поддържане на излъчването) и L50 (времето до 50% поддържане на излъчването). Фактори като ток в права посока и температура на прехода също влияят върху живота на един светодиод. По-висока температура и/или по-голям ток в права посока означава по-къс живот на светодиода. Фигура 11 показва намаляването на излъчената светлина с времето за Luxeon K2 power LED при определен работен ток и температура на прехода и B50, L70 параметри. Сравнението на фигура 12 между Luxeon светодиоди и конвенционални източници на светлина показва намаляването на светлинното излъчване с времето.
Power LED драйвери


Тъй като токът в права посока през светодиода трябва да бъде ограничен, нуждата от специален драйвер става явна. Добре известните „лунички” използват най-често 12-волтов източник на напрежение. Този тип източници обикновено са конвенционални трансформатори или електронни трансформатори. Те са източници на константно напрежение и следователно не произвеждат константен ток.
As the forward current of power LEDs has to be limited, the need of special LED driver is obvious. Това е причината те да не са подходящи за захранване на светодиодни осветителни тела. Светодиодите трябва да се захранват с константен ток. Наличните светодиодни драйвери в момента са всъщност източници на константен ток. Състоят се от някакъв тип импулсно захранване (най-често понижаващ преобразувател) и генератор на константен ток. Някои драйвери имат вграден генератор на ток, така че те използват по-малко външни компоненти. Една от най-простите схеми на светодиодни драйвери е показана на фигура 13. ZXLD1360 произвеждан от Zetex Semiconductors изисква само няколко външни компонента, което прави разработката на миниатюрни печатни платки много лесно. Това спестява време на проектантите. RS в схемата е сензор на ток, който определя токът, протичащ през светодиодите. L1 и D1 са част от понижаващия импулсен преобразувател. C1 е филтров кондензатор за захранващия източник. Този драйвер е способен да захранва светодиоди при работен ток до 1А, използвайки вграден NDMOS ключов транзистор. Драйверът позволява също контрол на интензитета на светодиодите посредством постоянно напрежение или ШИМ сигнал. Общата ефективност на драйверната схема (без да се включват светодиодите и захранващият източник) може да достигне 95%.
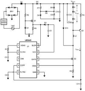
ZXLD1360 е ниско-волтов драйвер и се нуждае от допълнителен захранващ източник. Някои производители са разработили светодиодни драйвери, които използват захранващата мрежа директно като източник на напрежение. Такъв драйвер е LM3445 на National Semiconductor. Принципната му схема, предложена в документацията е показана на фигура 14. Тя предлага възможност за контрол интензитета на светодиодите с помощта на конвенционален димер със симистор. Тази схема съдържа много повече външни компоненти, но не изисква допълнителен захранващ източник. Ефективността й е в границите 85÷90% според броя свързани светодиоди. Тъй като в този случай захранващият източник е 220-волтовата мрежа (или 110 в някои страни), няма допълнителни загуби внесени от захранващия източник, както в предната схема. От друга страна ефективността на драйвера намалява при по-високо мрежово напрежение (използване на драйвера в 220-волтова мрежа вместо в 110-волтова).
Приложения на Power LED


Power LED технологията е все още скъпа както и светодиодните лампи. Това всъщност е главната причина полупроводниковите източници на светлина да се използват главно за осветление на архитектурни обекти и за специални цели (осветление в индустриални обекти). Въпреки това на пазара се предлагат разнообразни светодиодни лампи и драйвери. Добри примери са E27 MASTER LED крушка от Philips Electronics и MR16 LED „луничка” с Cree X-Lamp светодиод.


Power LED източниците на светлина вече са намерили своето място в разнообразни приложения като улично осветление, архитектурно осветление, осветление на офиси и интериорно осветление, зъболекарски и медицински уреди и дори в мобилния подиум на Ватикана.

Източници
- Paul Waide (Senior Policy Analyst Energy Efficiency and Environment Division International Energy Agency), 2006 “Meeting demand for energyservices through increased energy efficiency: potentials and policies”
- Paolo Bertoldi and Bogdan Atanasiu (European Commission – DG Joint Research Centre, Institute for Environment and Sustainability) “Residential Lighting Consumption and Saving Potential in the Enlarged EU”
- “Phase-out of incandescent light bulbs” – http://en.wikipedia.org/wiki/Phase-out_of_incandescent_light_bulbs
- “Fluorescent lamp” – http://en.wikipedia.org/wiki/Fluorescent_lamp
- “Compact fluorescent lamp” – http://en.wikipedia.org/wiki/Compact_fluorescent_lamp
- “How to be Sure That LEDs Are The Future of Global Lighting” – http://www.ehow.com/how_4930073_leds-future-of-global-lighting.html
- “Light-emitting diode” – http://en.wikipedia.org/wiki/Light-emitting_diode
- Norbert Engelberts (Advanced Thermal Solutions – Norwood, MA), 2008 – “Cooling high-power LEDs” (http://www2.electronicproducts.com/Cooling_high-power_LEDs-article-farr_ats_may2008-html.aspx)
- Oleg Shchekin (staff scientist at Philips Lumileds Advanced Laboratories), Decai Sun (section manager in the R&D department of Philips Lumileds), 2007 “Evolutionary new chip design targets lighting systems”, Compound Semiconductor vol. 13 num. 2
- “Understanding power LED lifetime analysis” – Philips Lumileds’ Technology white paper
One thought on “Power LED – осветлението на бъдещето”
Comments are closed.